服务热线:
0577-57578000
语言选择
中文 Chinese
英文 English
繁体 Chinese
联系我们
首页
关于我们
公司简介
公司一角
企业社会责任
安全与健康
公司新闻
产品展示
产品总汇
最新产品
动画展示
质量体系
质量工程
质量投诉
服务中心
在线留言
联系我们
春生首页
>
产品展示
>
产品总汇
>
XLR(CT)连接器系列
>
产品总汇
最新产品
动画展示
产品类别
XLR(CT)连接器系列
XLR音响组合插座系列
HP(SPEAKON)音响插座系列
PJ3.5插口系列
PJ6.35插口系列
KFC轻触开关系列
DC电源插座系列
RCA同芯插座系列
CS斯卡特插座系列
DIN插座系列
USB 连接器系列
TYPE C连接器系列
MICRO USB 连接器系列
MINI USB连接器系列
PS 按键开关系列
针座系列
FPC系列
FFC排线
MINI RF系列
BT连接器系列
其它系列
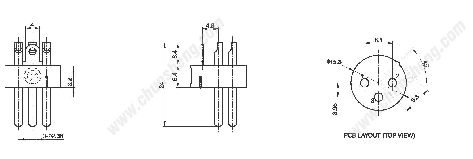
CT3-01HM
上传时间: 2019-04-08 16:17:58
点击查看大图
技术参数
接触电阻
≤0.3Ω
绝缘电阻
≥100MΩ
耐 压
1500V,AC/minute
温度范围
-30℃~+80℃
额定负荷
50V AC 6A
插 拔 力
10N~50N
端子强度
≥30N
寿
命
5000 Cycles
线路图
产品资料下载
点击下载产品详细资料
点击下载 CT3-01HM
PDF
PDF阅读器:
官方下载
下载提示:
1、产品详细资料为PDF文档;
2、下载后若不能打开文档,请先安装PDF阅读器;
3、下载时推荐使用下载工具或目标另存为。
上一条:
无任何记录
下一条:
CT3-02HF
分享到:
更新时间:2019-04-08 16:17:58 【
打印此页
】 【
关闭
】